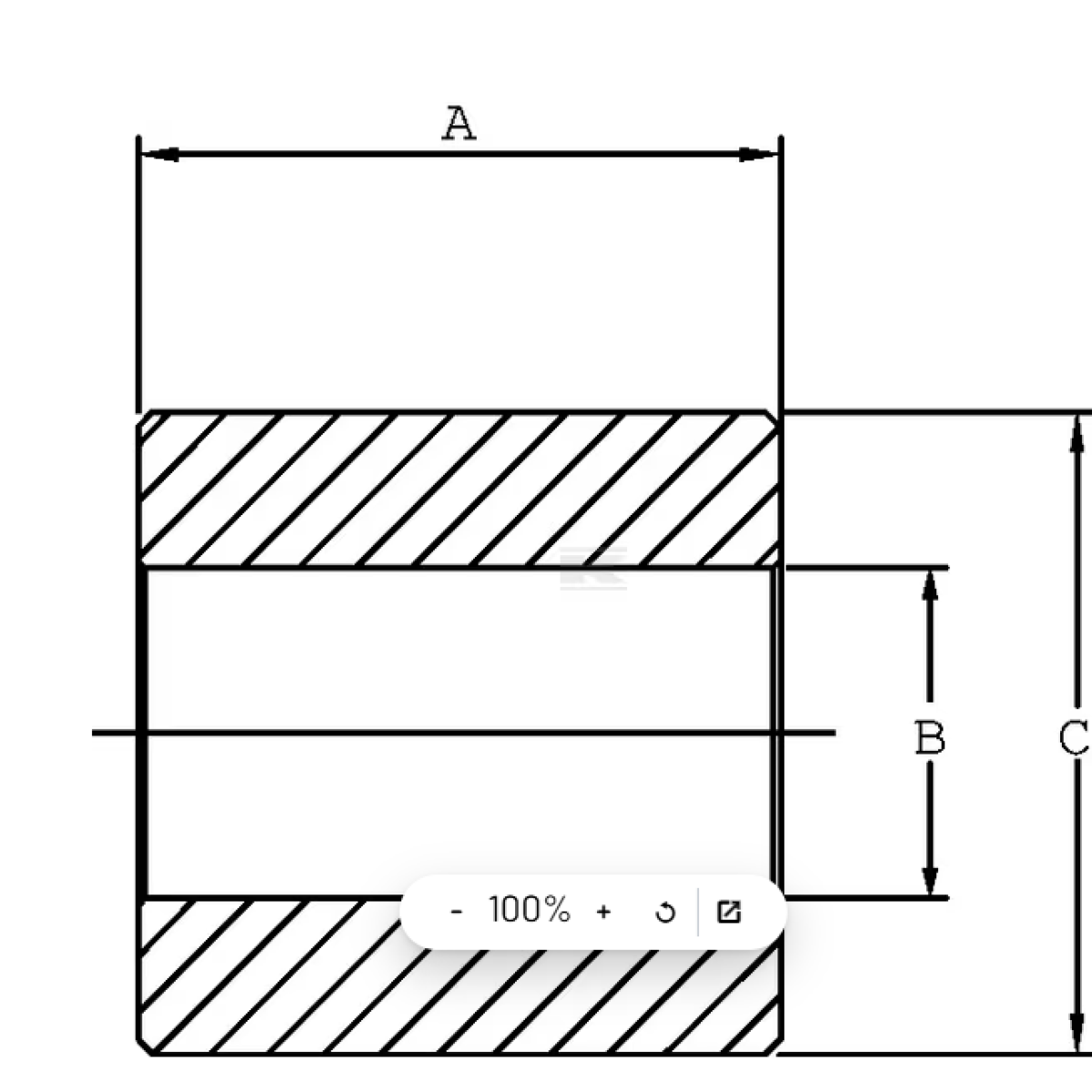
GK/Z922228GP Redukčné puzdro 22,4 – 28,4 mm

Externý sklad na dopyt
+
-
ks