Ložisko 22216 CW33 - MTM

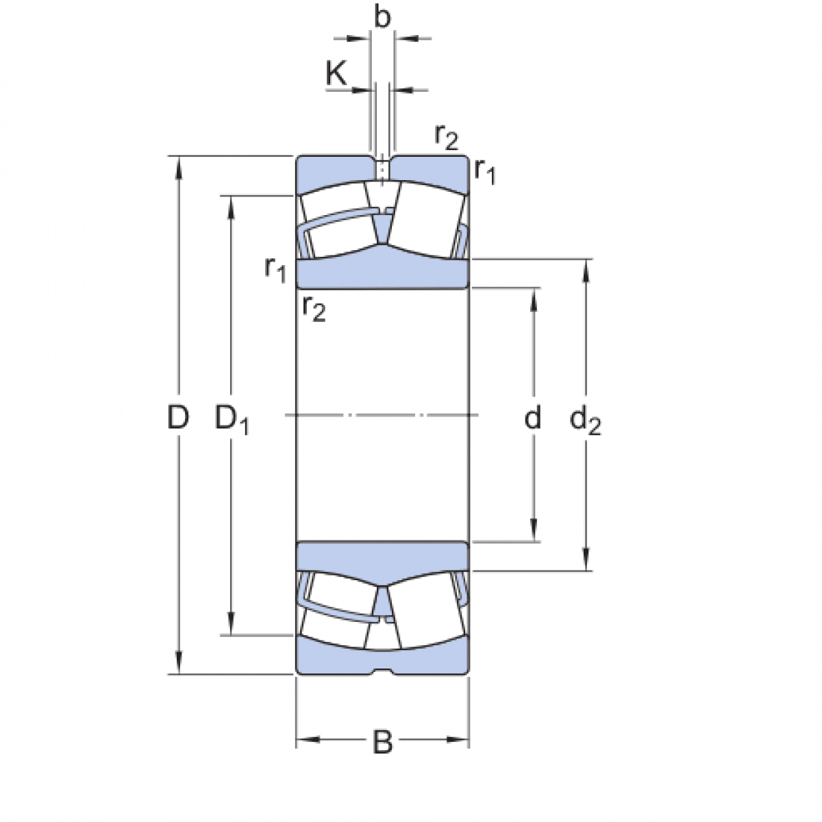
Rozmer: 80x140x33 Značka: MTM
Skladom 2 ks na dopyt
+
-
ks