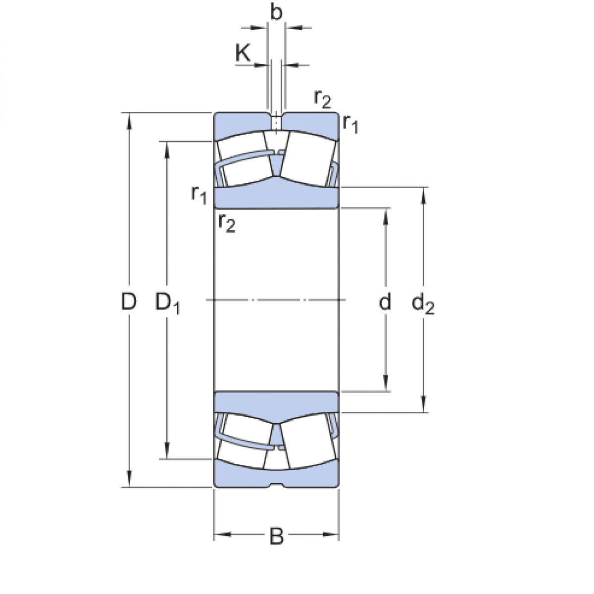
Ložisko 22234 M W33 C3- CX

Rozmer: 170x310x86 Značka: CX
Skladom 1 ks na dopyt
+
-
ks