Ložisko 22234 W33M - ZKL

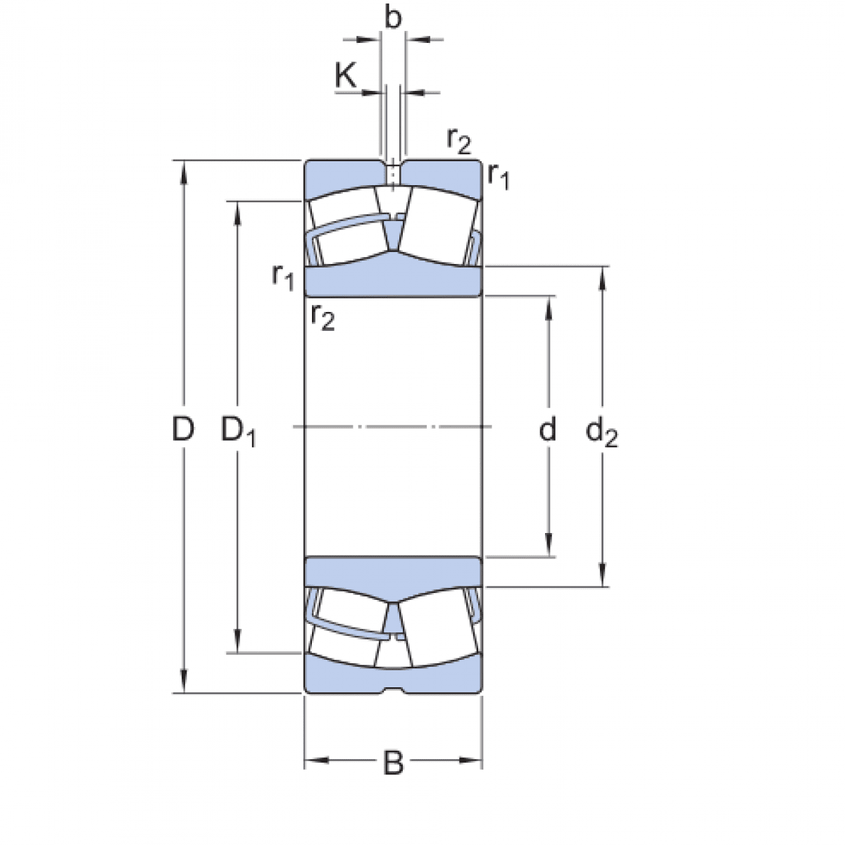
Rozmer: 170x310x86 Značka: ZKL
Skladom 2 ks na dopyt
+
-
ks