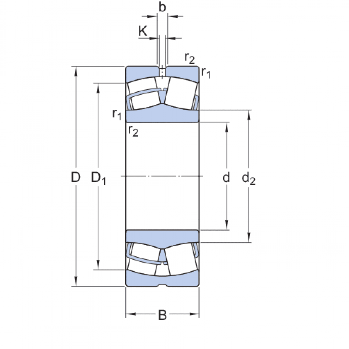
Ložisko 22311 CC - ISB

Rozmer: 55x120x43 Značka: ISB, JNS
Skladom 1 ks na dopyt
+
-
ks