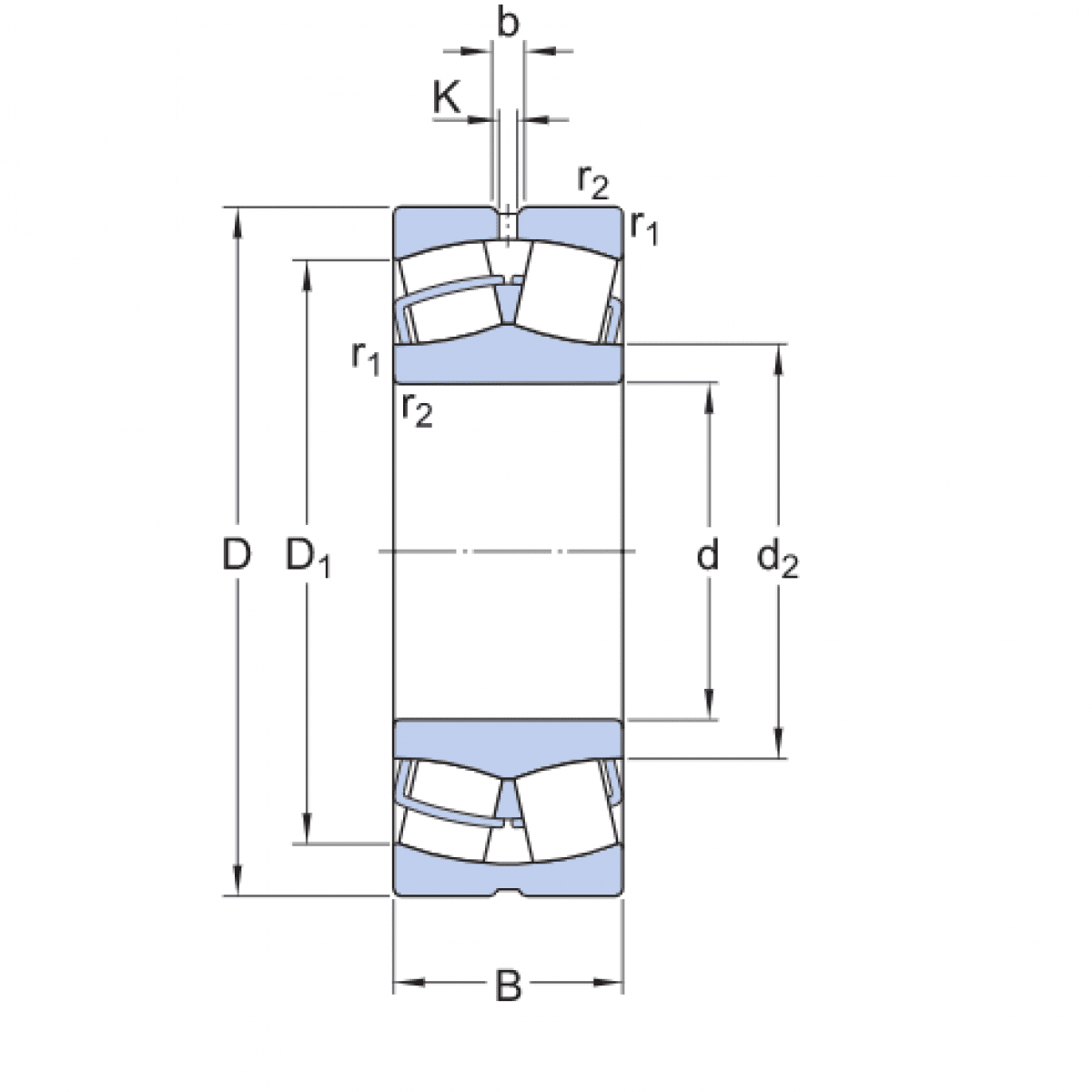
Ložisko 22311 J - ZKL

Rozmer: 55x120x43 Značka: ZKL
Externý sklad na dopyt
+
-
ks