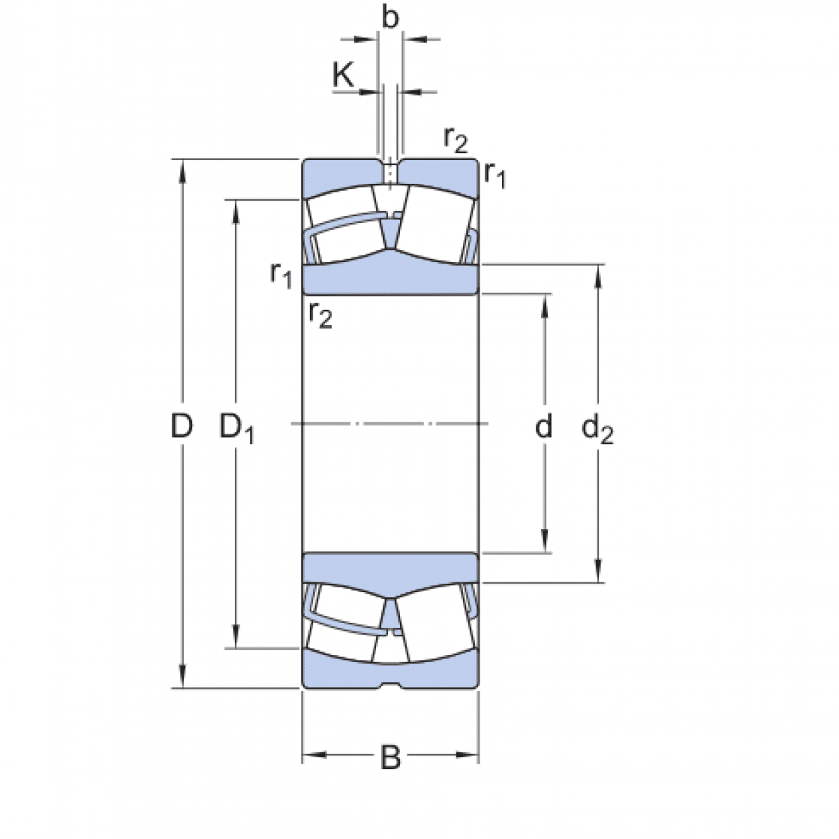
Ložisko 22319 W33M - CX

Rozmer: 95x200x67 Značka: CX
Externý sklad na dopyt
+
-
ks