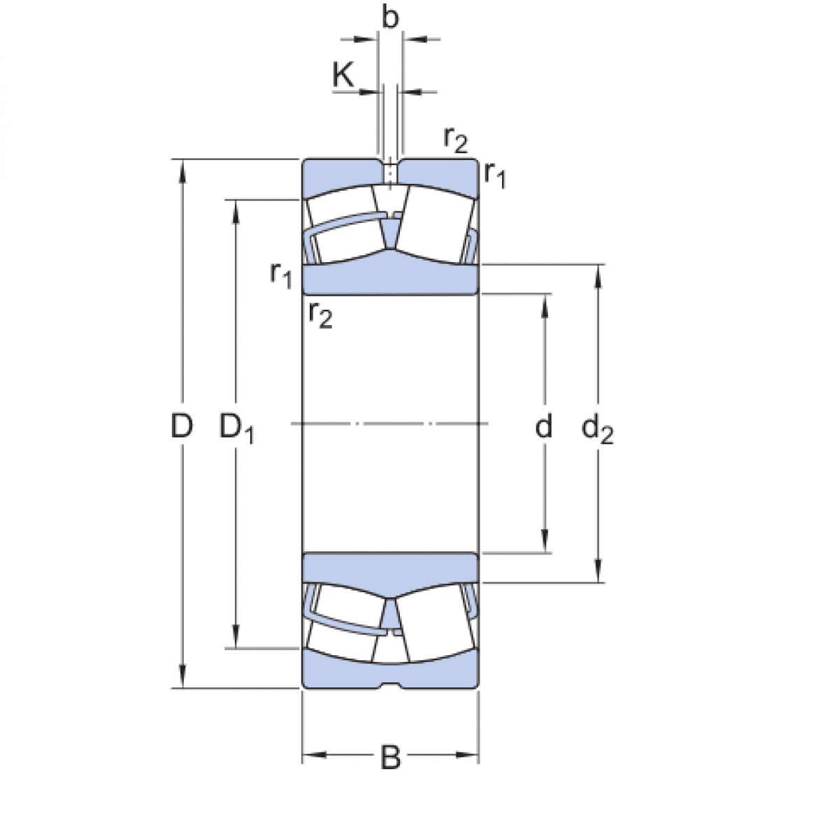
Ložisko 22320 M W33 - MTM

Rozmer: 100x215x73 Značka: MTM
Externý sklad na dopyt
+
-
ks