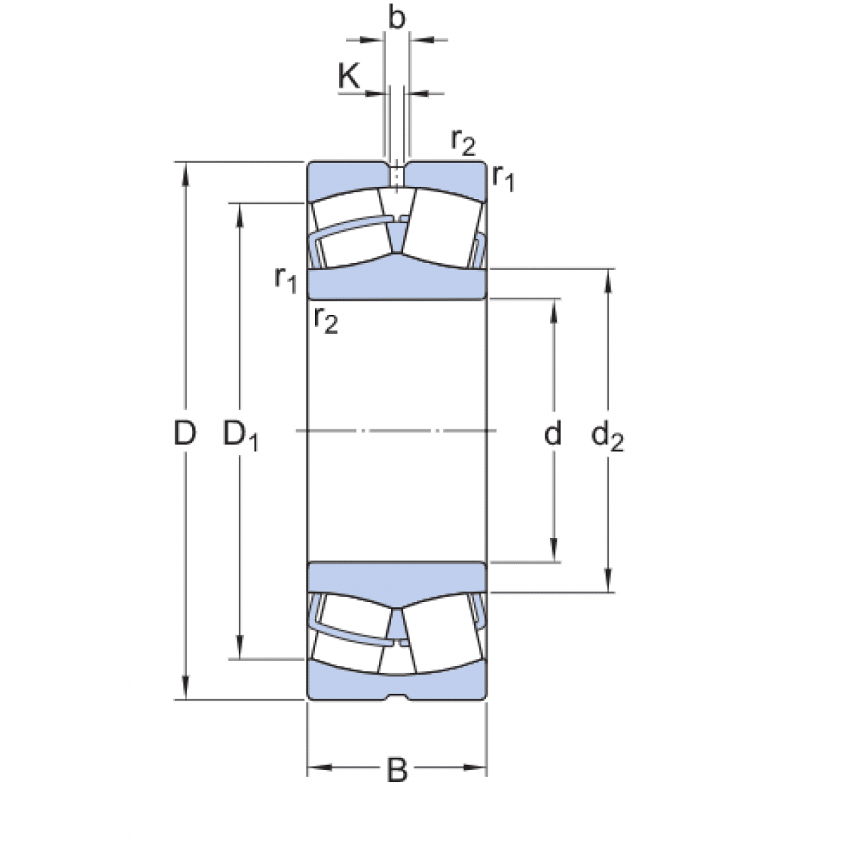
Ložisko 22324 M W33 - ZVL

Rozmer: 120x260x86 Značka: ZVL
Externý sklad na dopyt
+
-
ks