Ložisko 22328 MW33 - CX

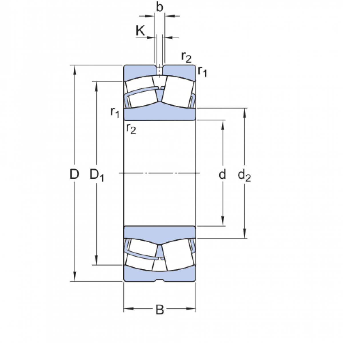
Rozmer: 140x300x102 Značka: CX
Skladom 1 ks na dopyt
+
-
ks