Ložisko 23230 CW33 - ZKL

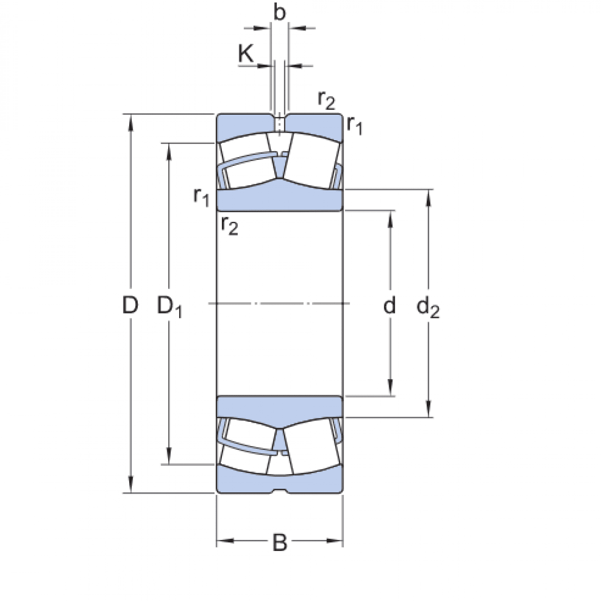
Rozmer: 150x270x96 Značka: ZKL
Externý sklad na dopyt
+
-
ks