Ložisko 29324 E1 - FAG

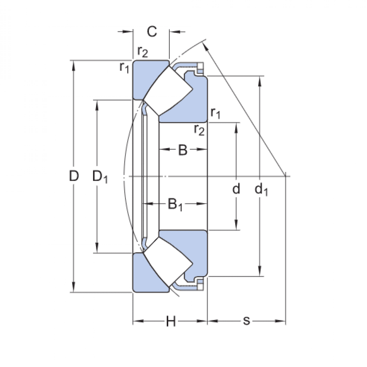
Rozmer: 120x210x54 Značka: FAG
Externý sklad na dopyt
+
-
ks