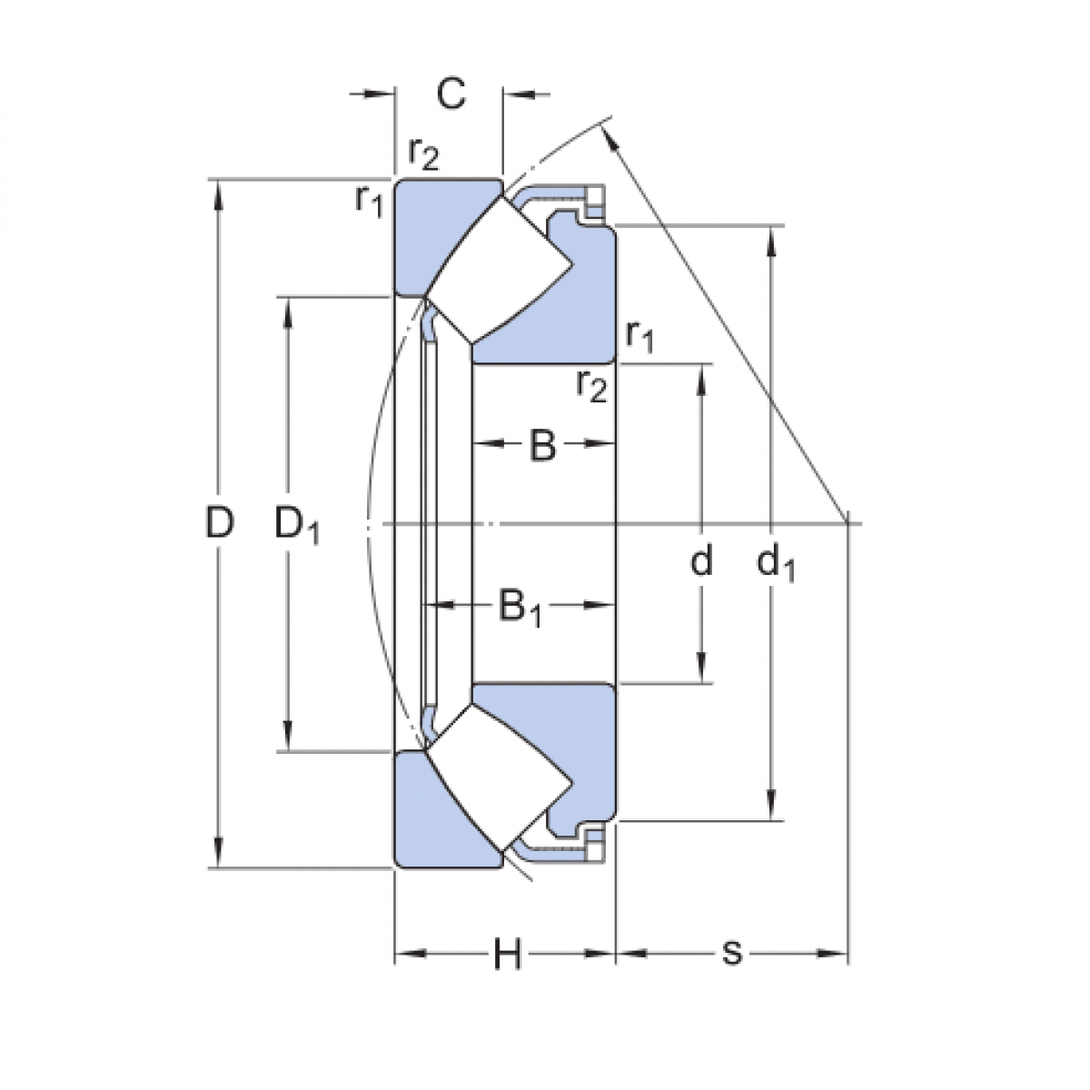
Ložisko 29324 M - CX

Rozmer: 120x210x54 Značka: CX
Externý sklad na dopyt
+
-
ks