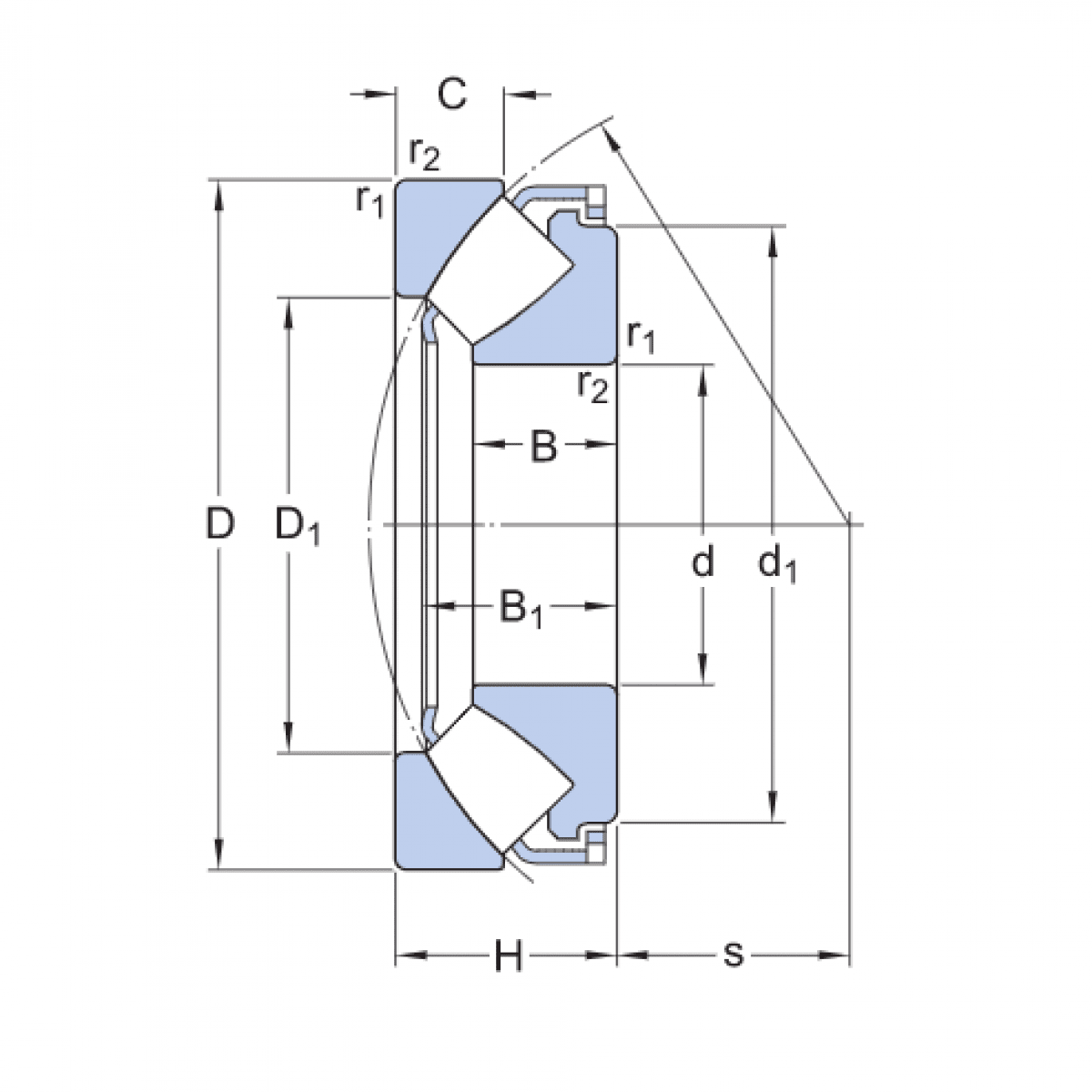
Ložisko 29326 M - CX

Rozmer: 130x225x58 Značka: CX
Externý sklad na dopyt
+
-
ks