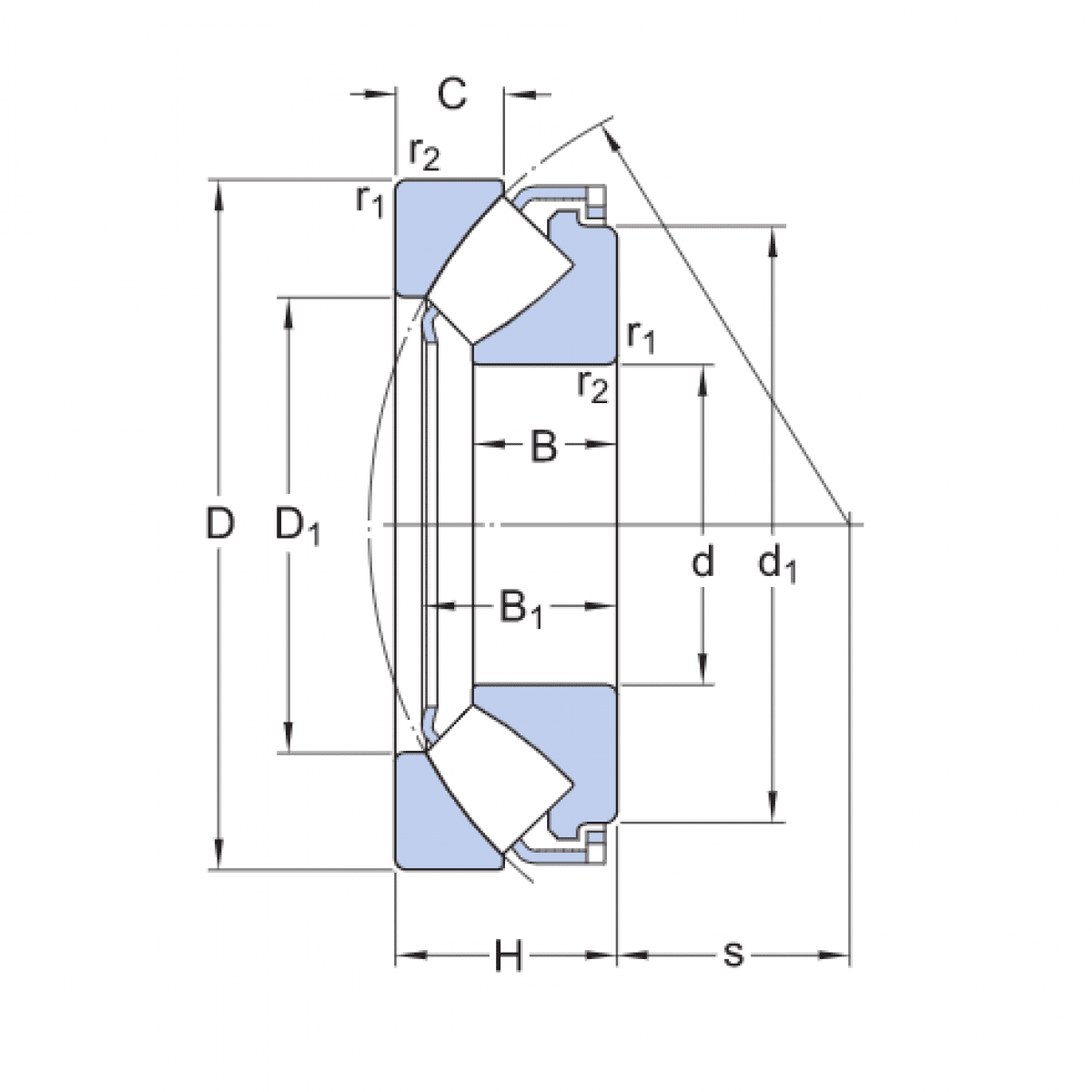
Ložisko 29326 M - ZKL

Rozmer: 130x225x58 Značka: ZKL
Externý sklad na dopyt
+
-
ks