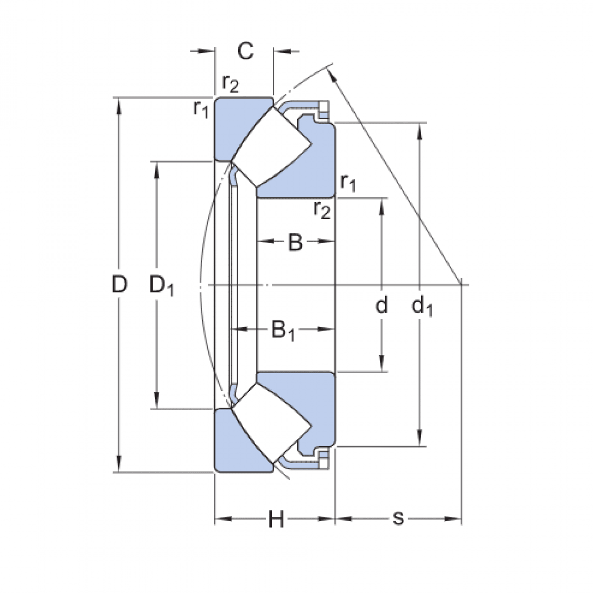
Ložisko 29328 M - CX

Rozmer: 140x240x60 Značka: CX
Skladom 1 ks na dopyt
+
-
ks