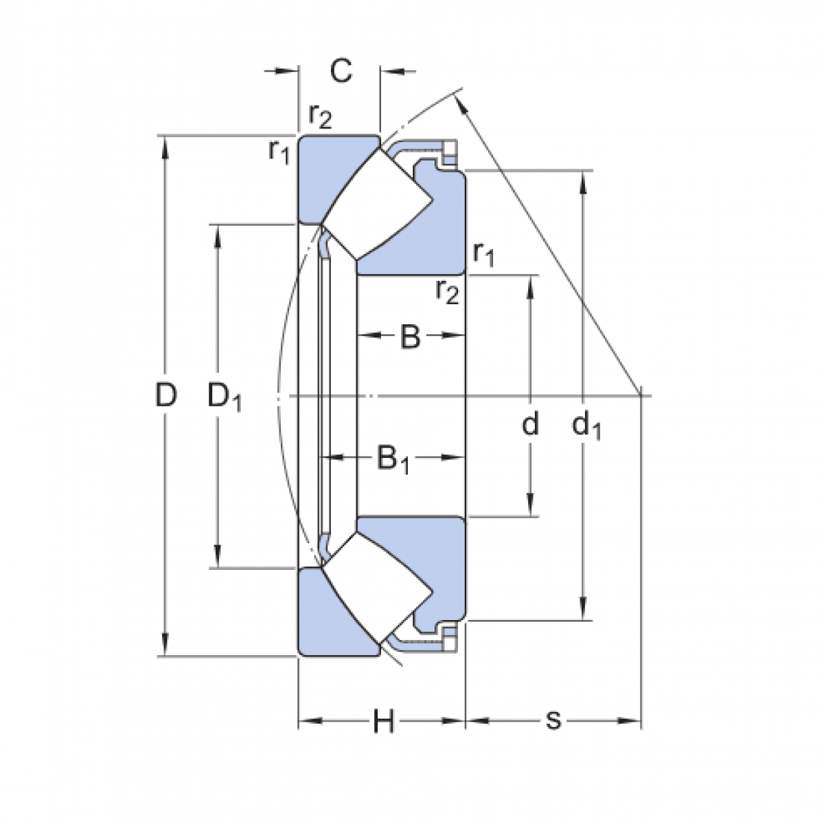
Ložisko 29328 M - ZKL

Rozmer: 140x240x60 Značka: ZKL
Externý sklad na dopyt
+
-
ks