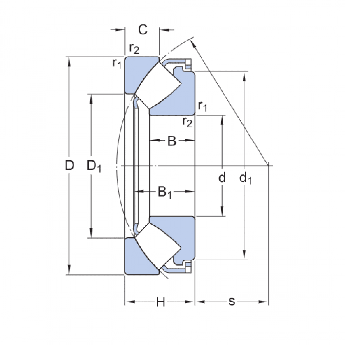
Ložisko 29330 M - CX

Rozmer: 150x250x60 Značka: CX
Skladom 1 ks na dopyt
+
-
ks