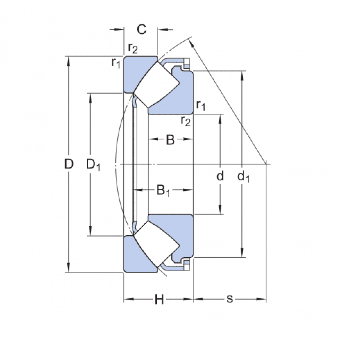
Ložisko 29340 E1-XL - FAG

Rozmer: 200x340x85 Značka: FAG
Externý sklad na dopyt
+
-
ks