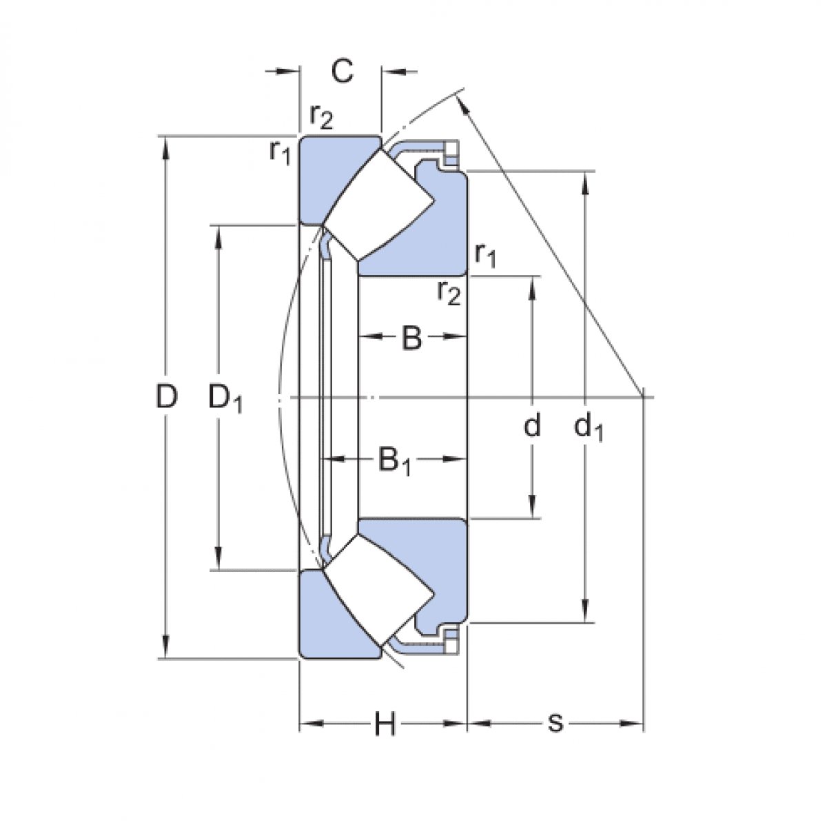
Ložisko 29412 M - CX

Rozmer: 60x130x42 Značka: CX
Skladom 1 ks na dopyt
+
-
ks