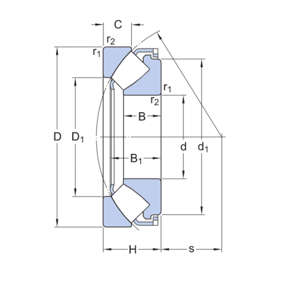
Ložisko 29412 M - MTM

Rozmer: 60x130x42 Značka: MTM
Externý sklad na dopyt
+
-
ks