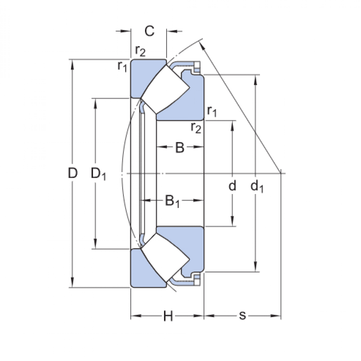
Ložisko 29413 M - CX

Rozmer: 65x140x45 Značka: CX
Externý sklad na dopyt
+
-
ks