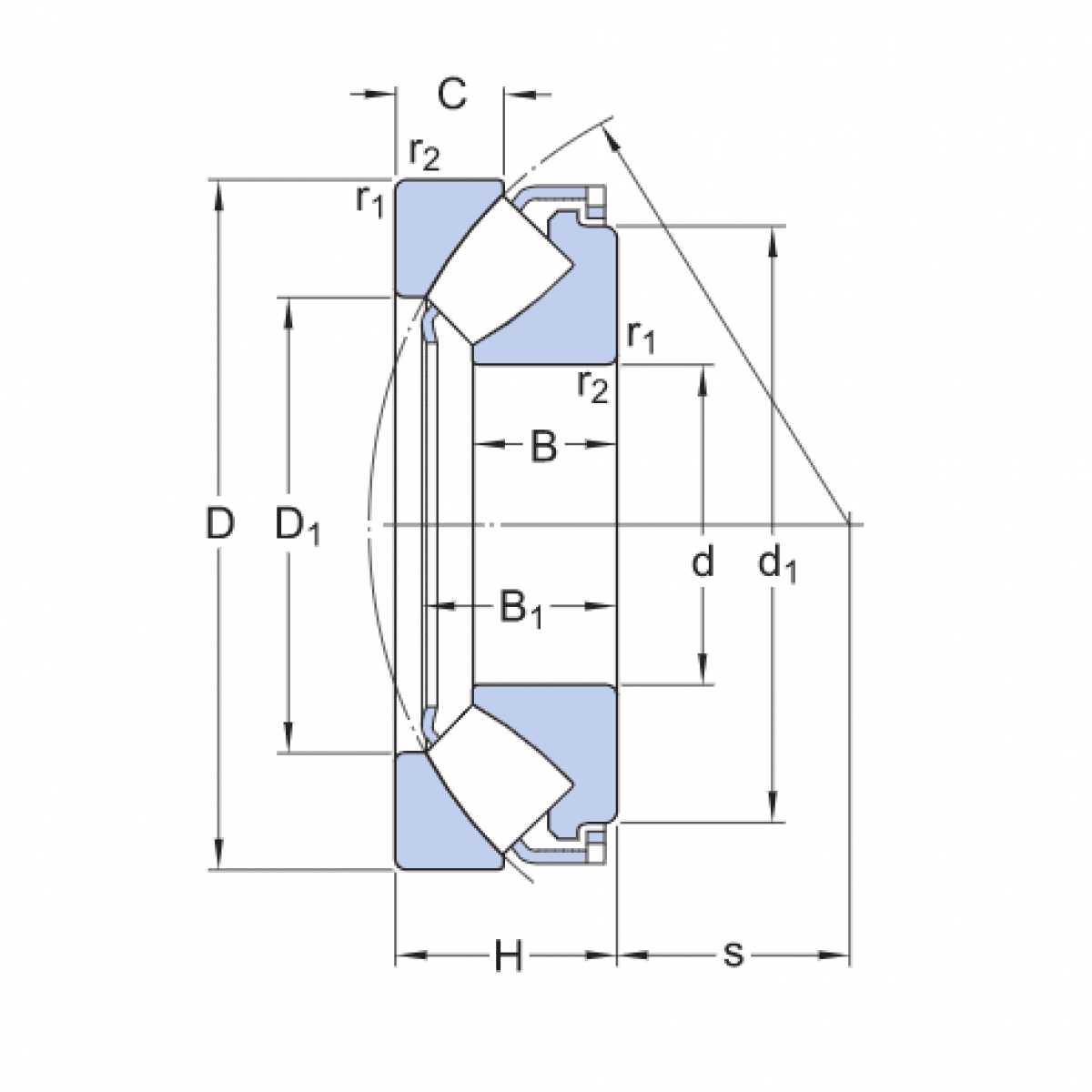
Ložisko 29414 M- CX

Rozmer: 70x150x48 Značka: CX
Externý sklad na dopyt
+
-
ks