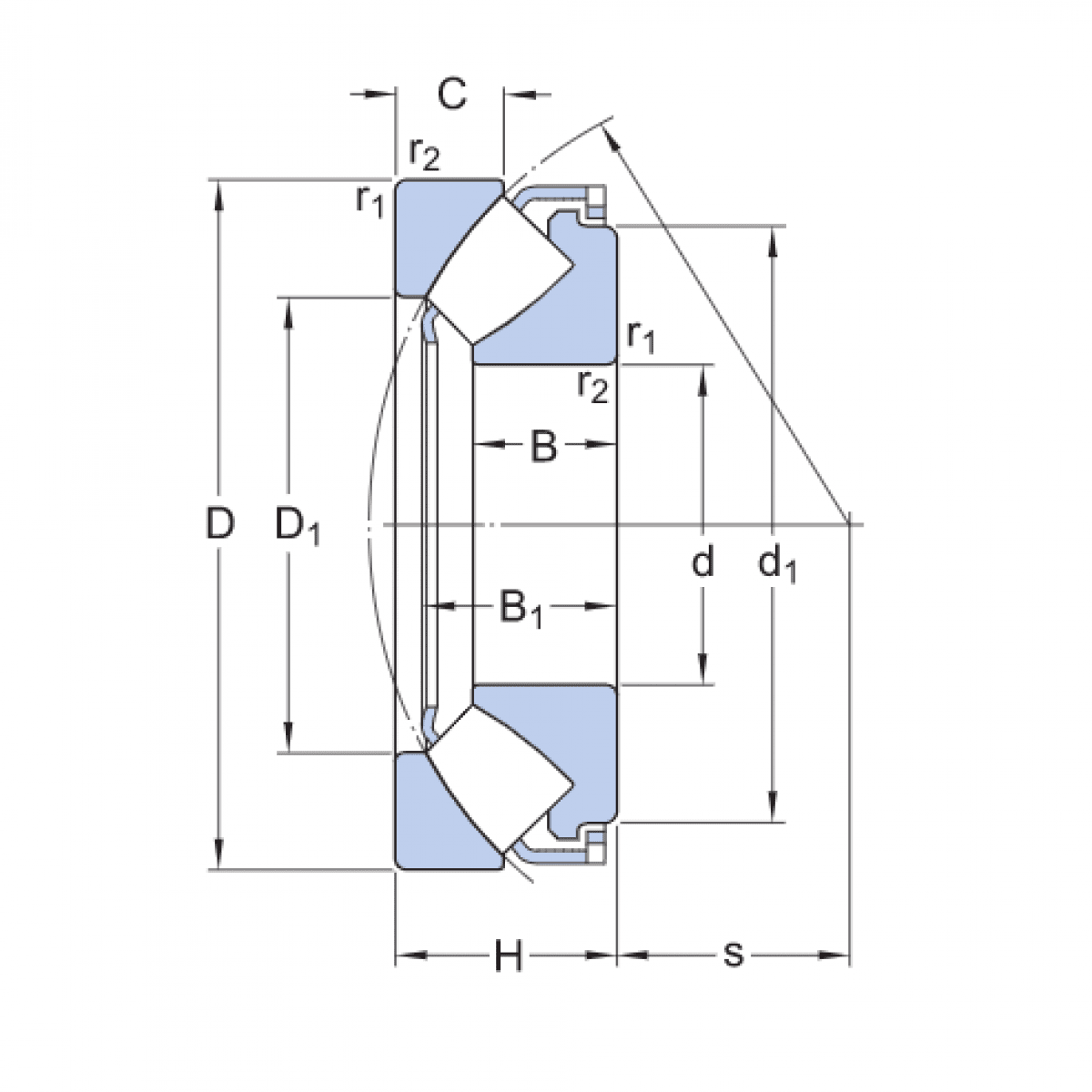
Ložisko 29415 M - CX

Rozmer: 75x160x51 Značka: CX
Externý sklad na dopyt
+
-
ks