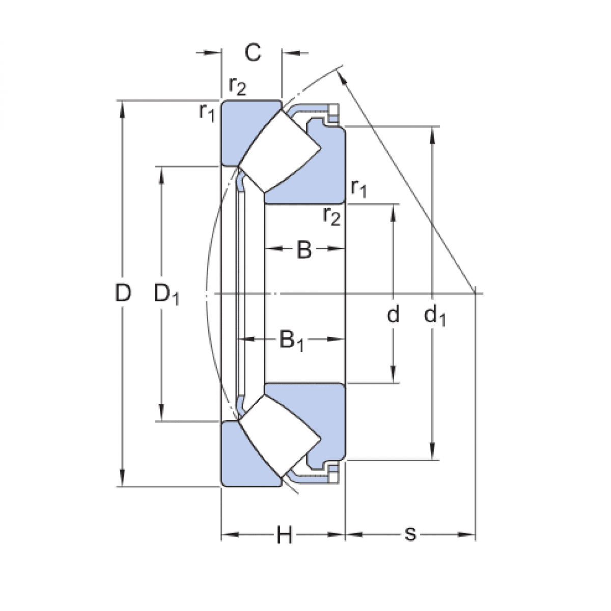
Ložisko 29417 M - CX

Rozmer: 85x180x58 Značka: CX
Skladom 1 ks na dopyt
+
-
ks