Ložisko 29418 E1 - FAG

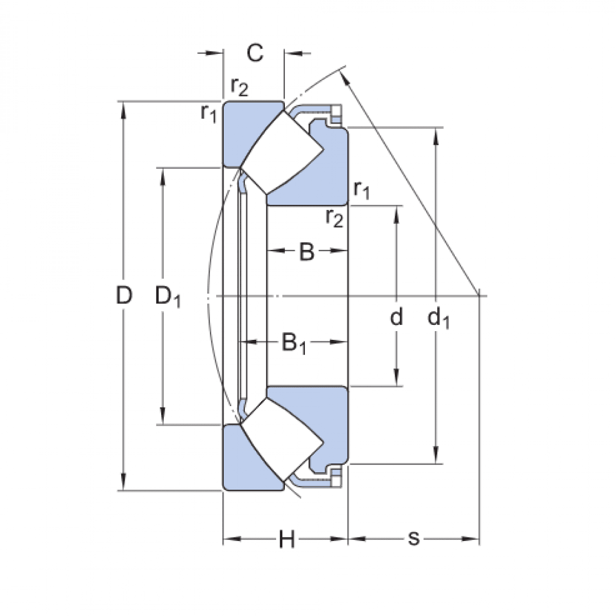
Rozmer: 90x190x60 Značka: FAG
Externý sklad na dopyt
+
-
ks