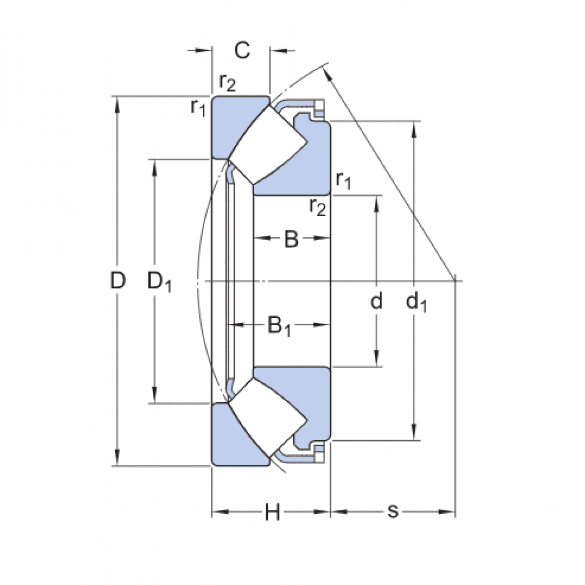
Ložisko 29418 M - CX

Rozmer: 90x190x60 Značka: CX
Skladom 1 ks na dopyt
+
-
ks