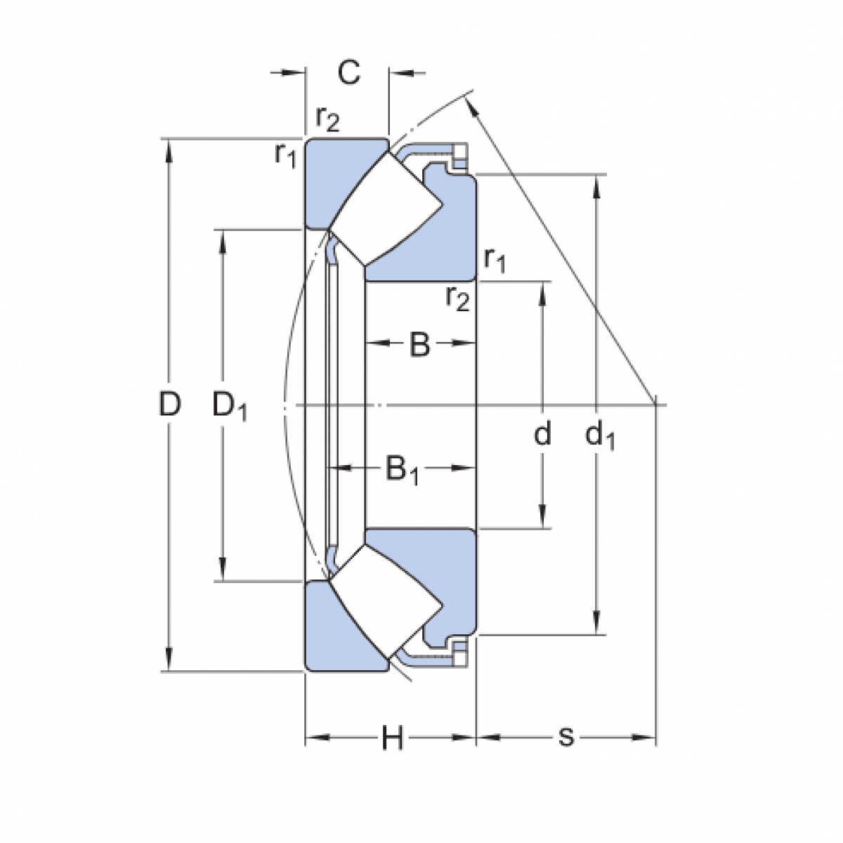
Ložisko 29418 M - TPR

Rozmer: 90x190x60 Značka: CHINA+OSTATNÉ
Externý sklad na dopyt
+
-
ks