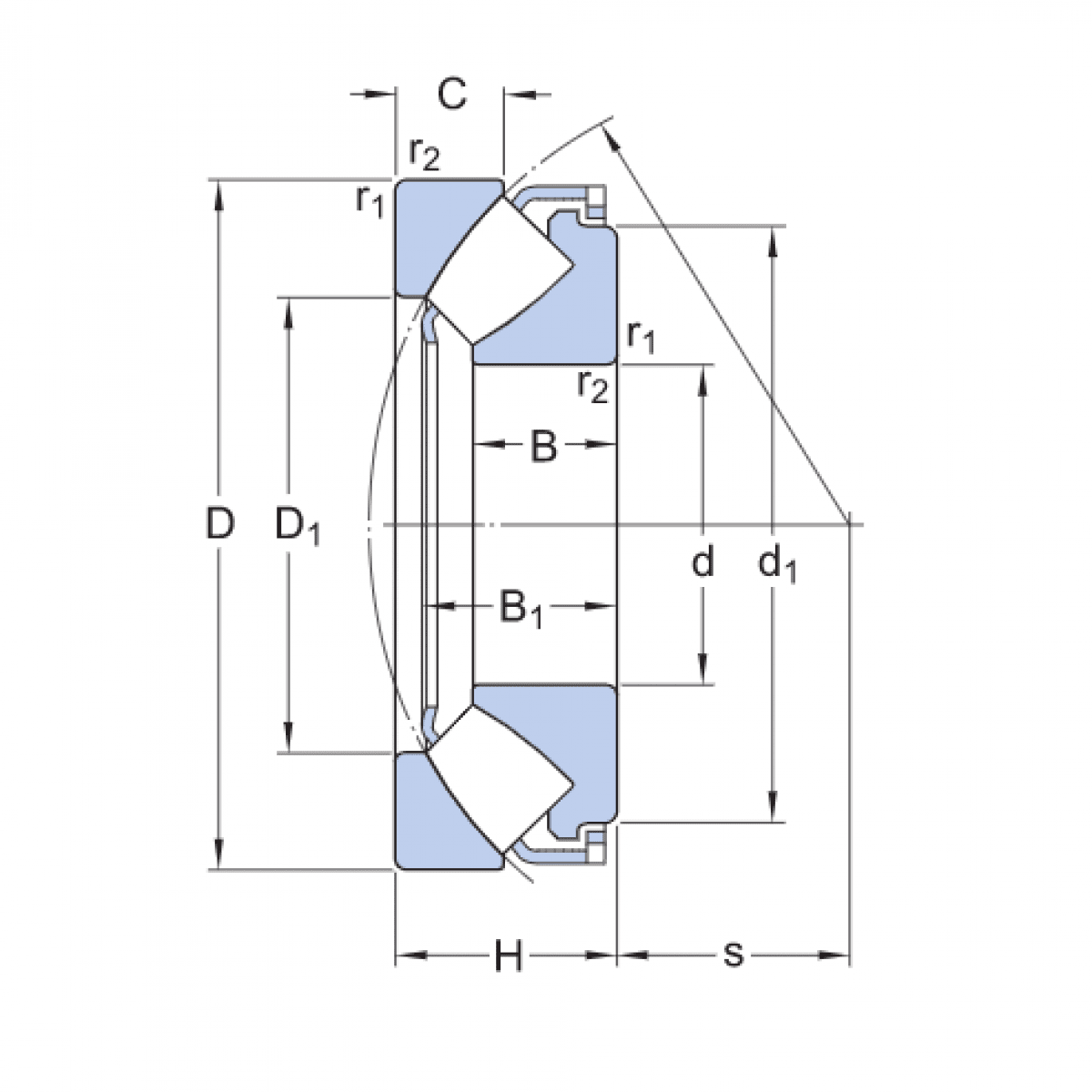
Ložisko 29420 M - CX

Rozmer: 100x210x67 Značka: CX
Skladom 2 ks na dopyt
+
-
ks