Ložisko 29426 E - FAG

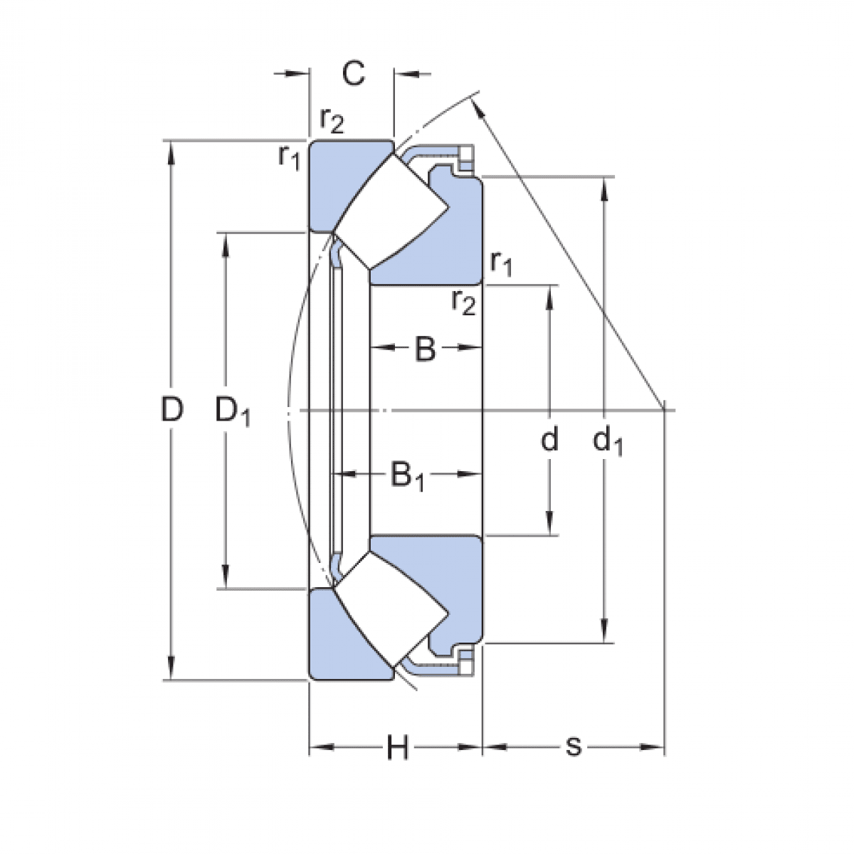
Rozmer: 130x270x85 Značka: FAG
Externý sklad na dopyt
+
-
ks