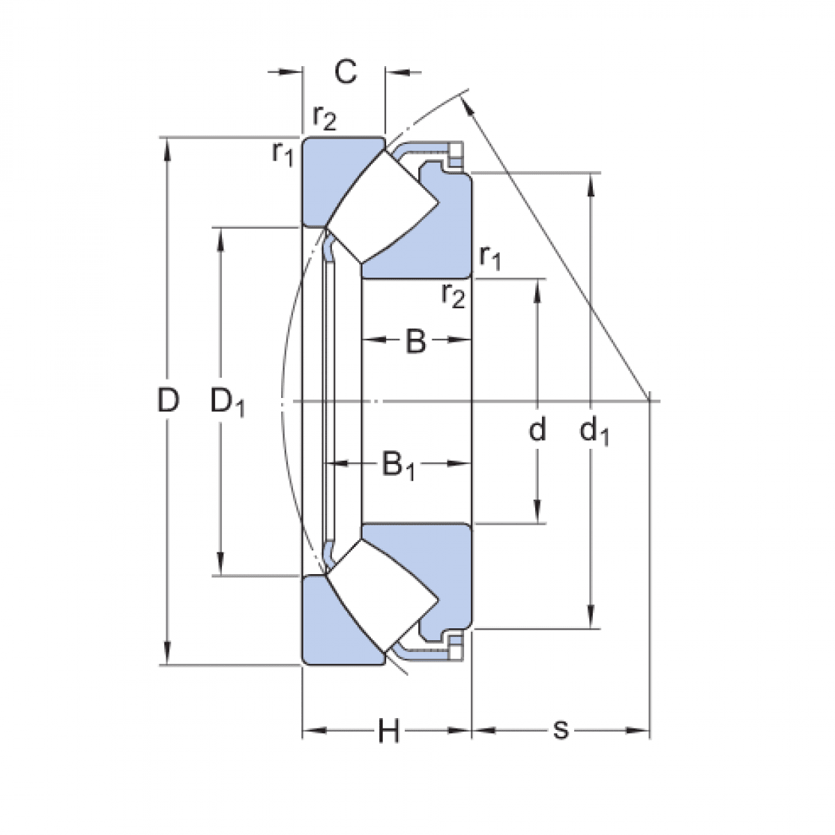
Ložisko 29426 M - CX

Rozmer: 130x270x85 Značka: CX
Skladom 1 ks na dopyt
+
-
ks