Ložisko 29430 M - ZVL

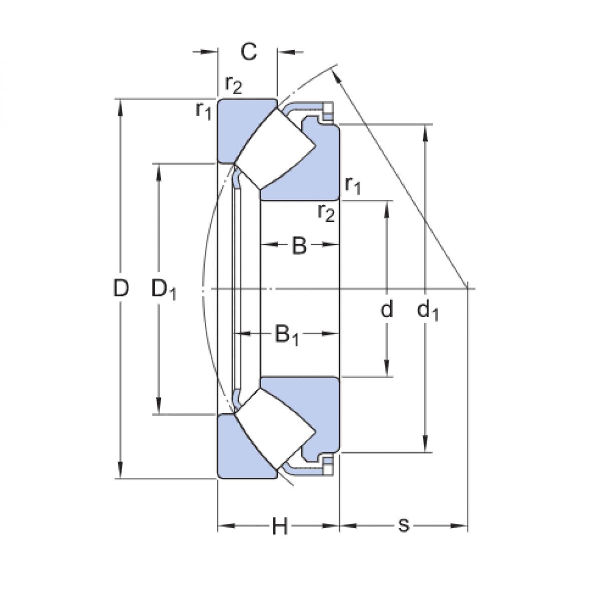
Rozmer: 150x300x90 Značka: ZKL
Externý sklad na dopyt
+
-
ks