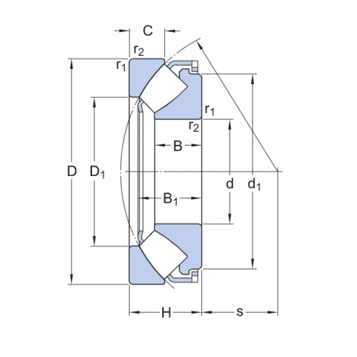
Ložisko 29432 M - CX

Rozmer: 160x320x95 Značka: CX
Skladom 1 ks na dopyt
+
-
ks