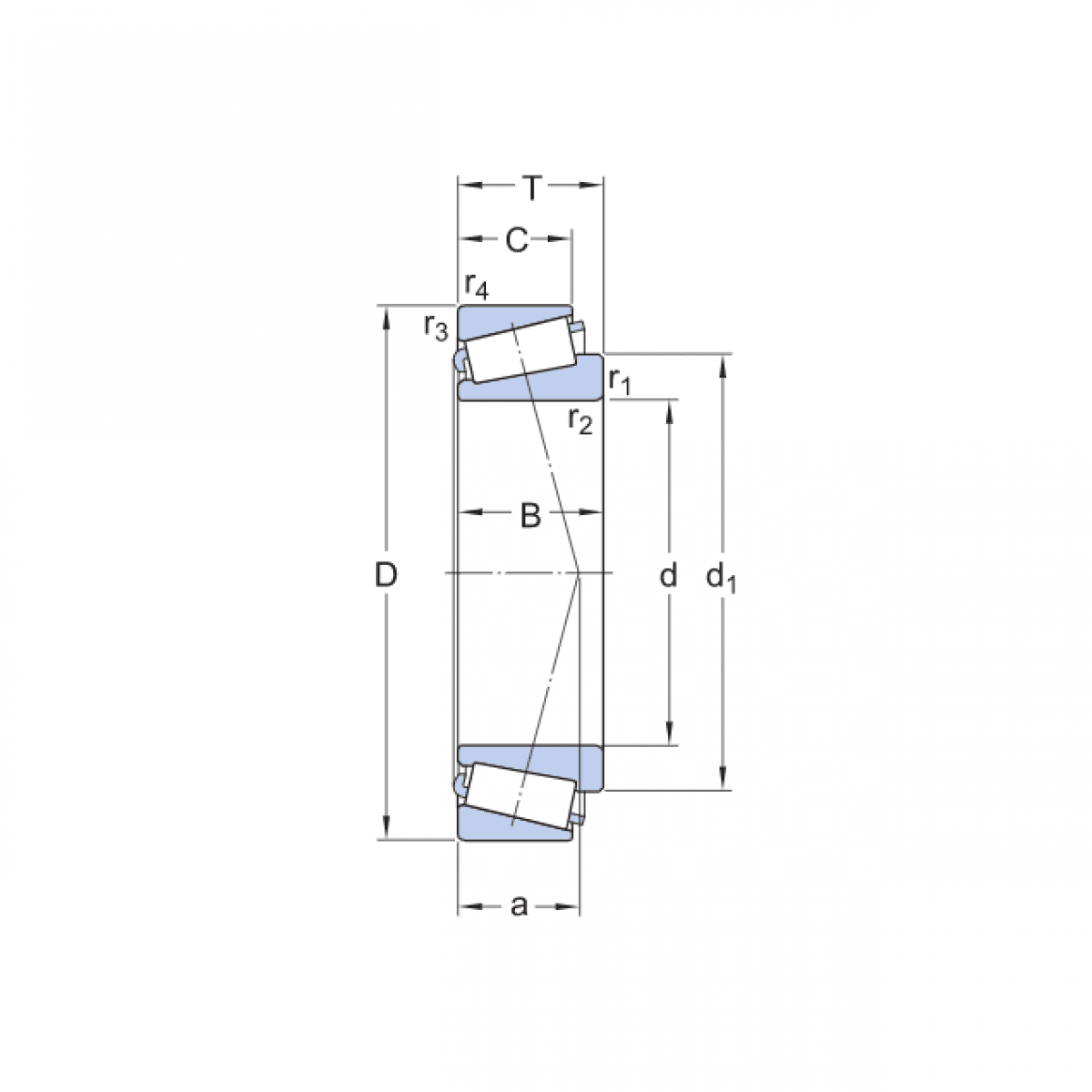
Ložisko 30204 - FBJ

Rozmer: 20x47x15,25 Značka: FBJ
Externý sklad na dopyt
+
-
ks