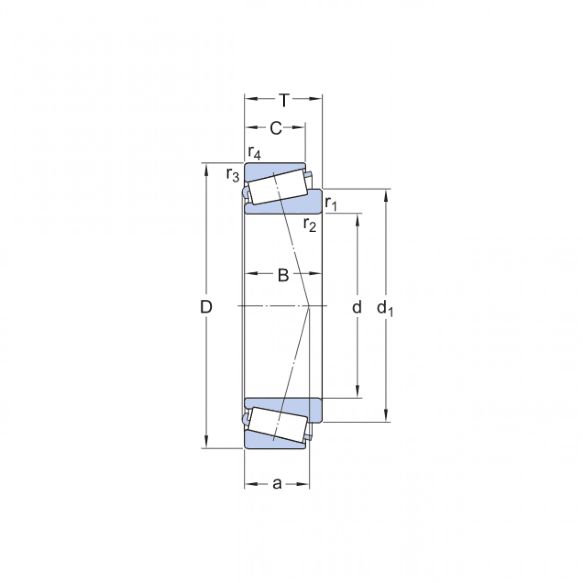
Ložisko 30204 P6 - BBC

Rozmer: 20x47x15,25 Značka: BBC
Skladom 10 ks na dopyt
+
-
ks