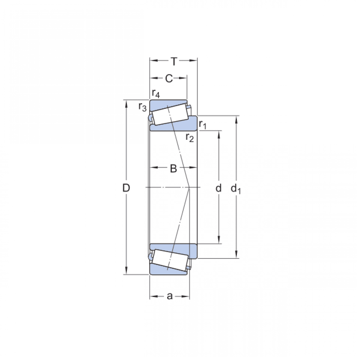
Ložisko 30205 A - SNR

Rozmer: 25x52x16,25 Značka: SNR
Externý sklad na dopyt
+
-
ks