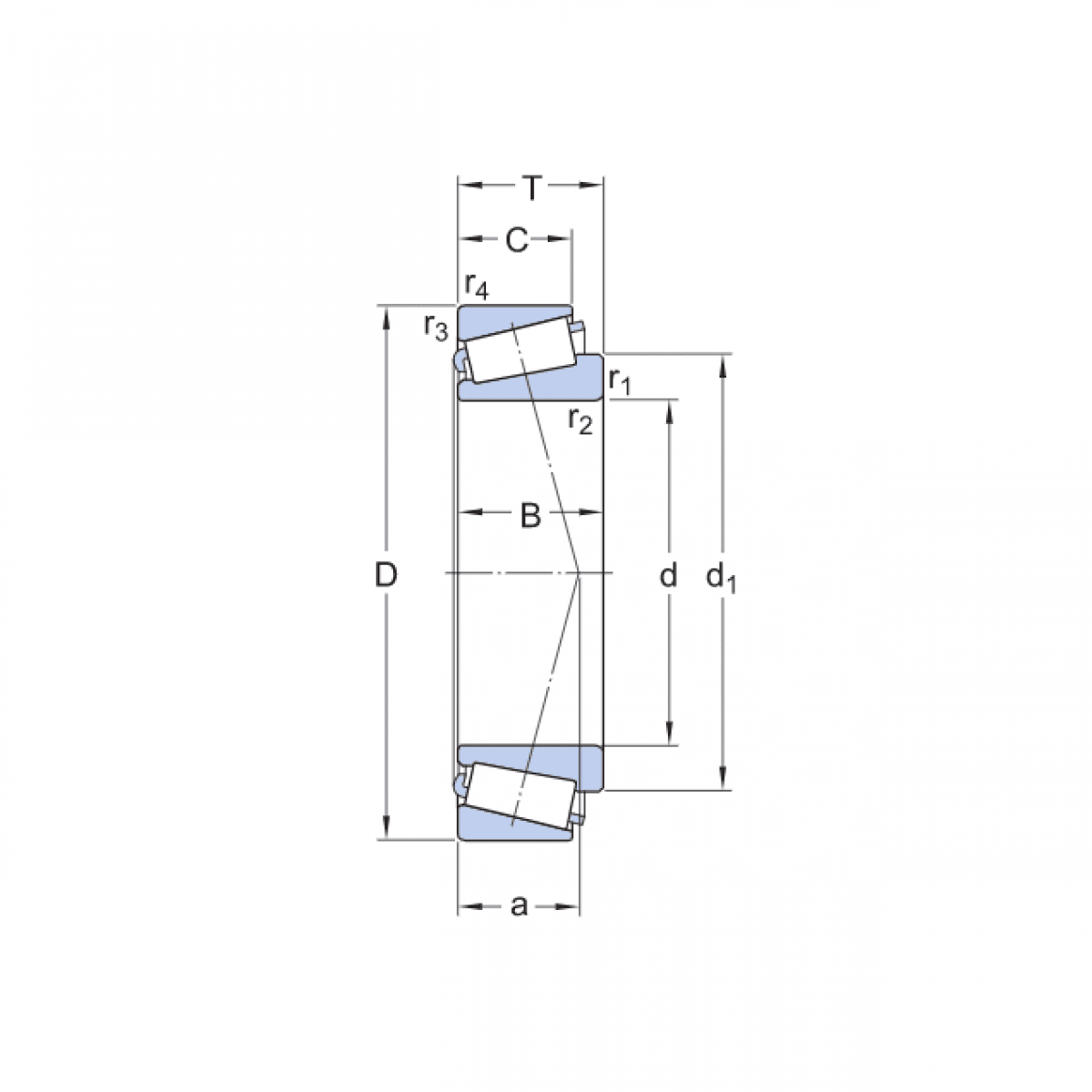
Ložisko 30205 - ISB

Rozmer: 25x52x16,25 Značka: ISB, JNS
Externý sklad na dopyt
+
-
ks