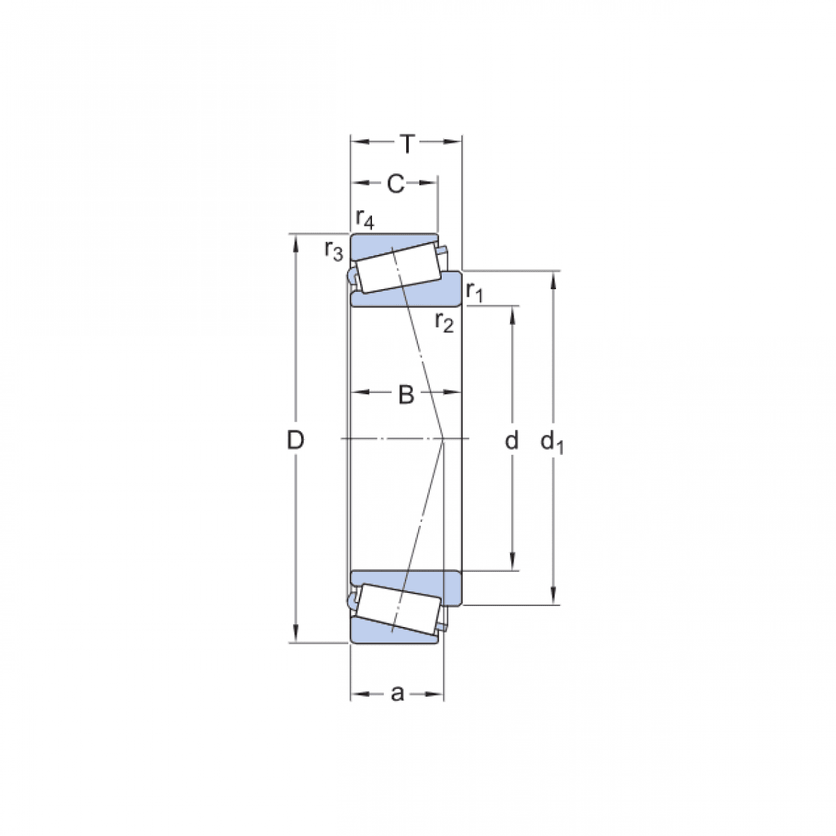
Ložisko 30205 J - NSK

Rozmer: 25x52x16,25 Značka: NSK
Externý sklad na dopyt
+
-
ks