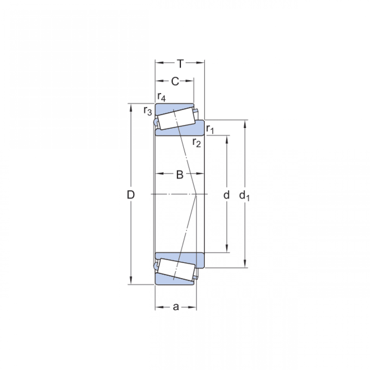
Ložisko 30207 P6 - BBC

Rozmer: 35x72x18,25 Značka: BBC
Externý sklad na dopyt
+
-
ks