Ložisko 30209 - CODEX

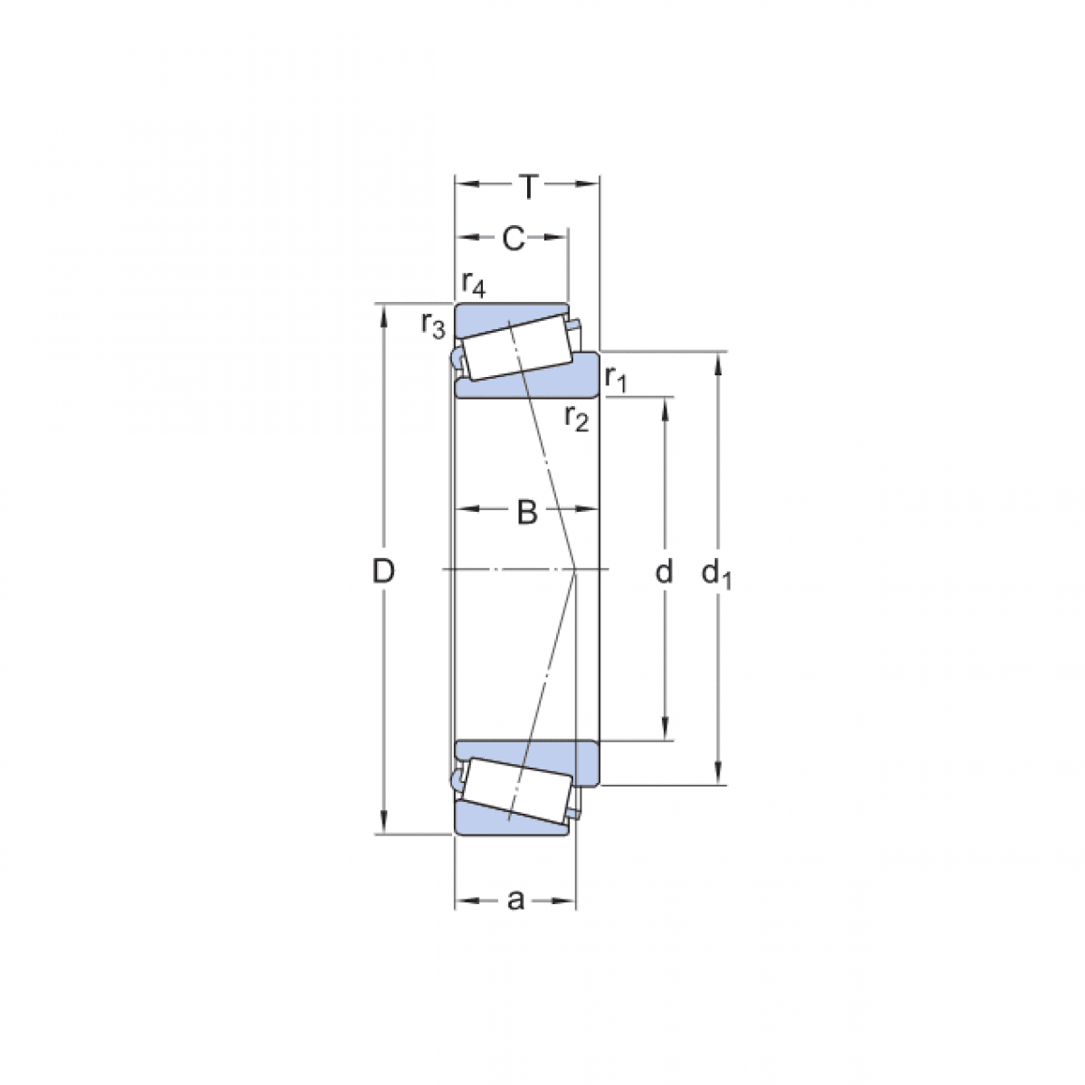
Rozmer: 45x85x20,75 Značka: CODEX
Externý sklad na dopyt
+
-
ks