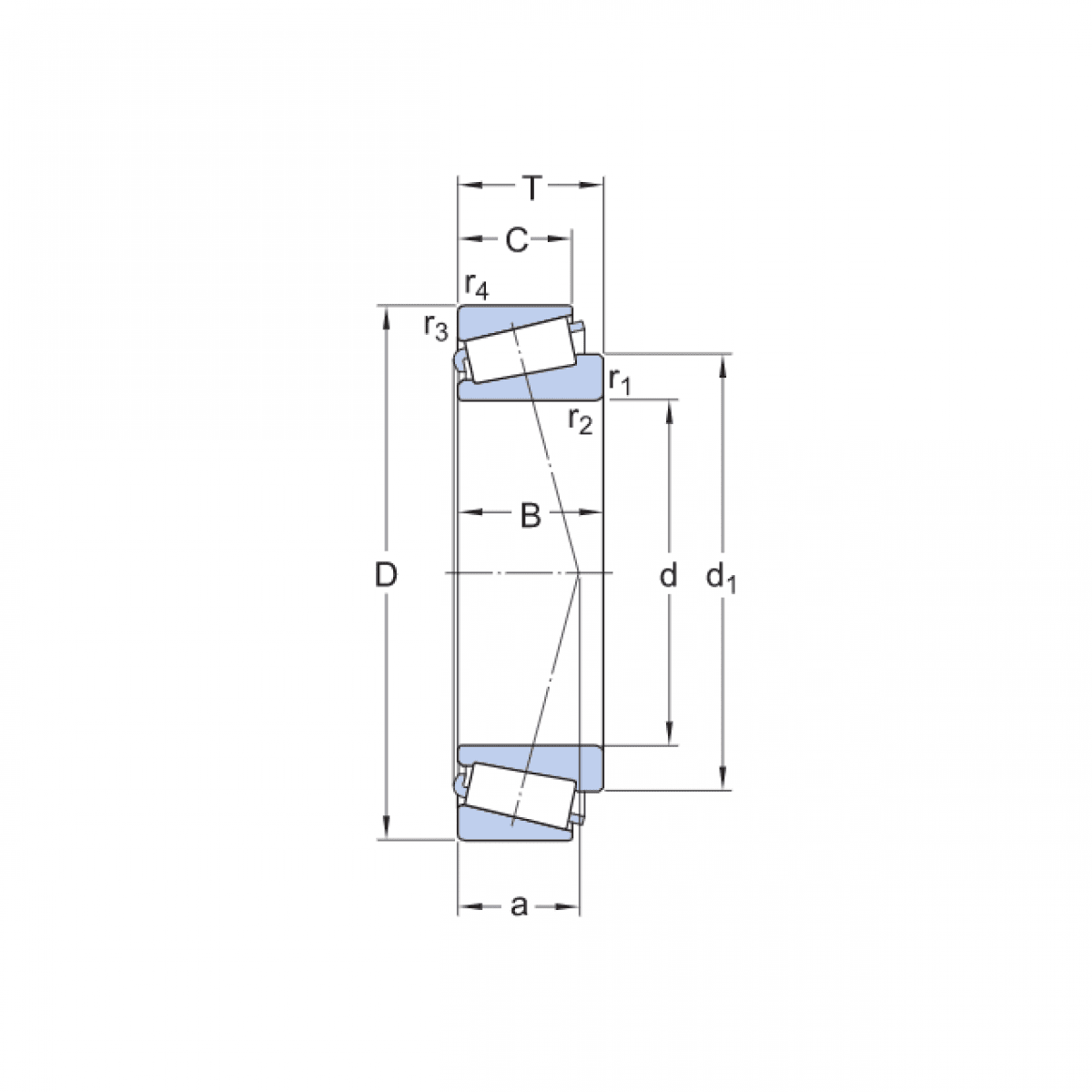
Ložisko 30212 P6 - BBC

Rozmer: 60x110x23,75 Značka: BBC
Externý sklad na dopyt
+
-
ks