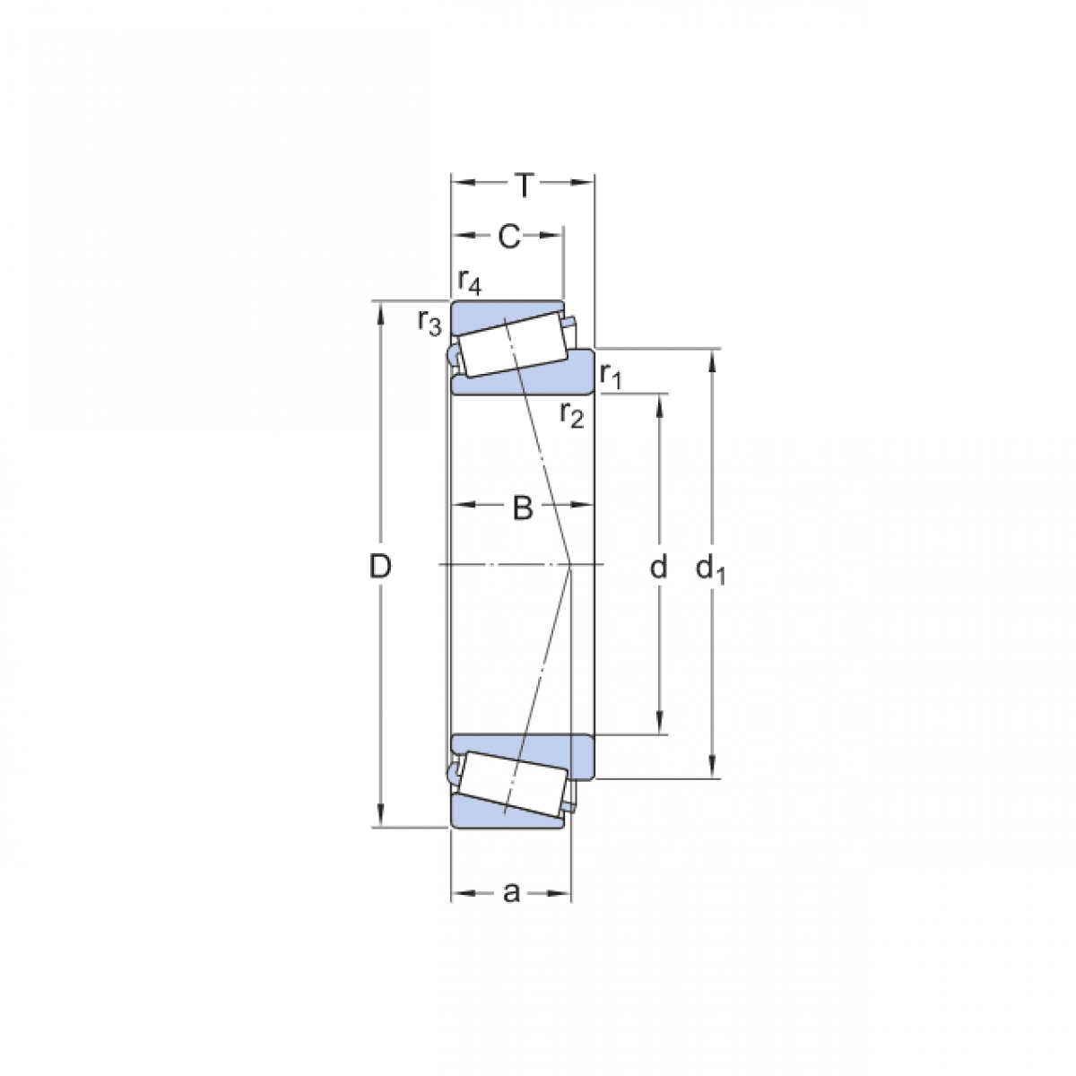
Ložisko 30216 P6 - BBC

Rozmer: 80x140x28,25 Značka: BBC
Externý sklad na dopyt
+
-
ks