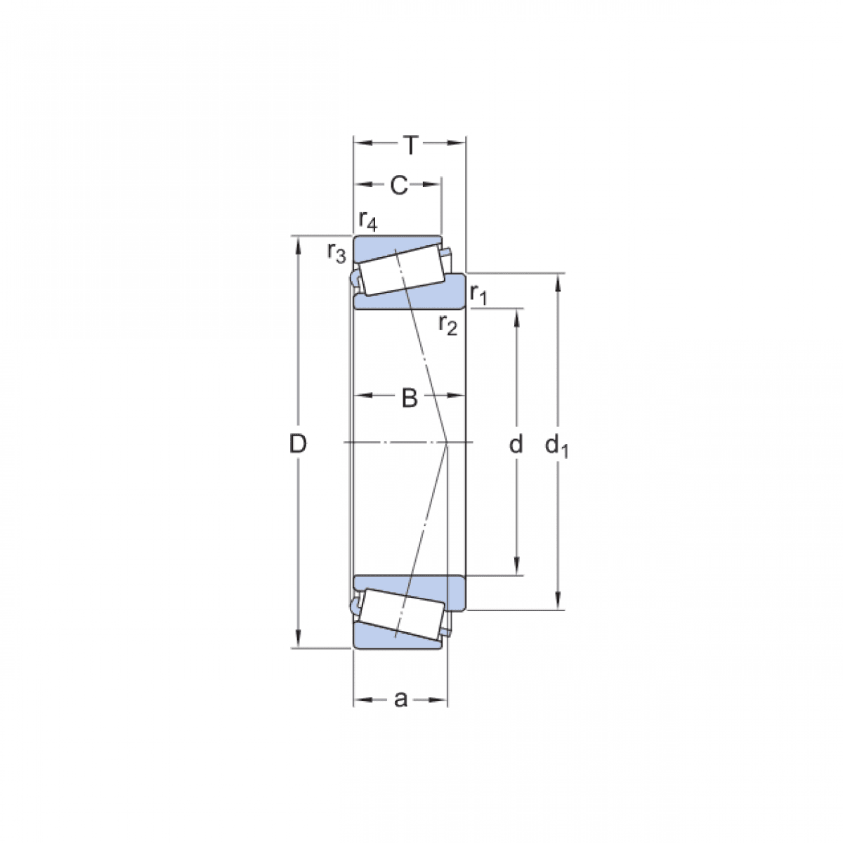
Ložisko 30217 JR - KOYO

Rozmer: 85x150x30,50 Značka: KOYO-TORRINGTON
Externý sklad na dopyt
+
-
ks