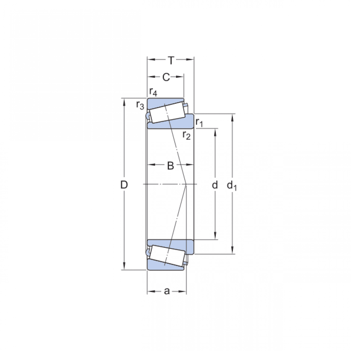
Ložisko 30218 A - ZVL

Rozmer: 90x160x32,50 Značka: ZVL
Externý sklad na dopyt
+
-
ks