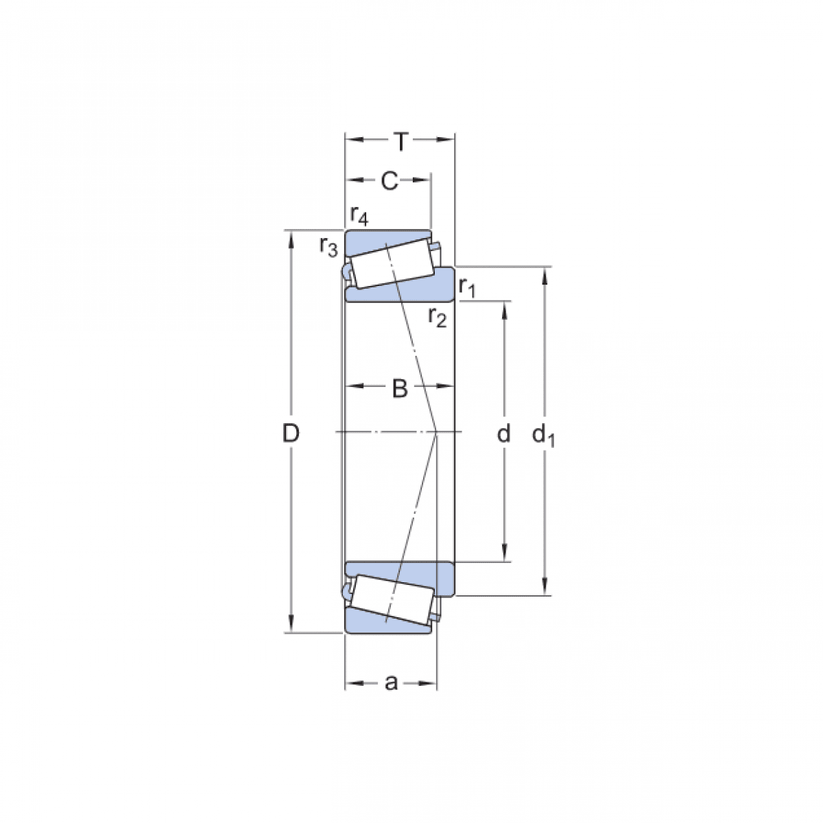
Ložisko 30218 E - ZKL

Rozmer: 90x160x32,50 Značka: ZKL
Skladom 12 ks na dopyt
+
-
ks