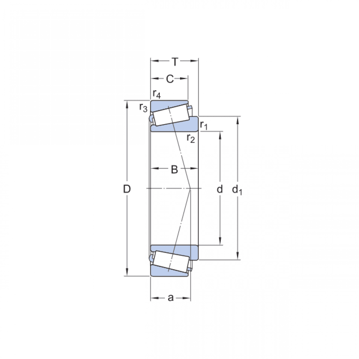
Ložisko 30218 - KOYO

Rozmer: 90x160x32,50 Značka: KOYO-TORRINGTON
Externý sklad na dopyt
+
-
ks