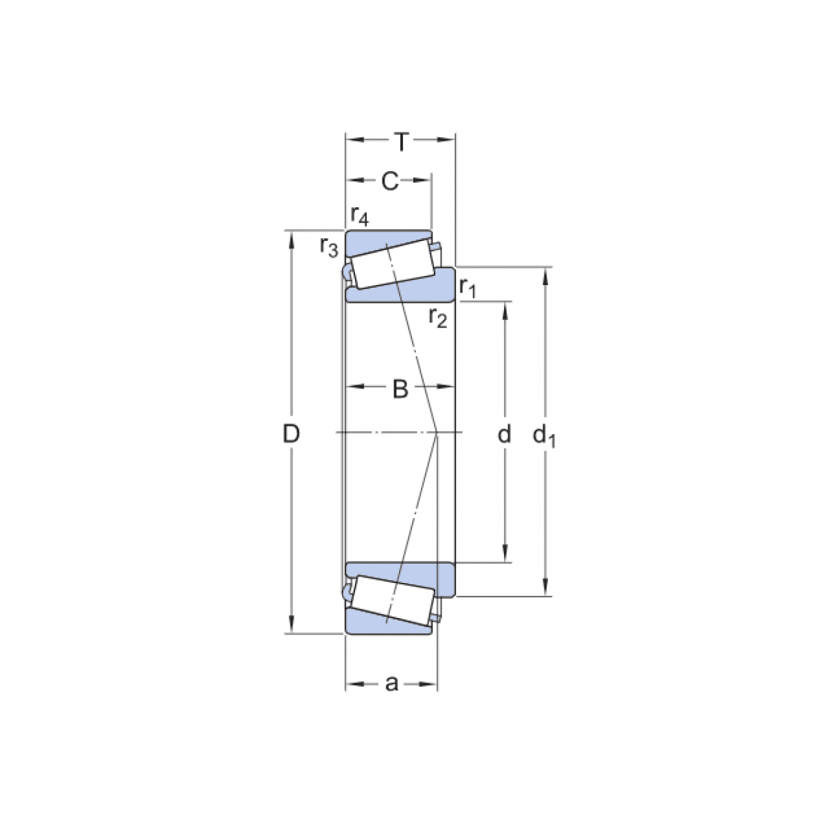
Ložisko 30219 A - ZKL

Rozmer: 95x170x34,50 Značka: ZKL
Externý sklad na dopyt
+
-
ks