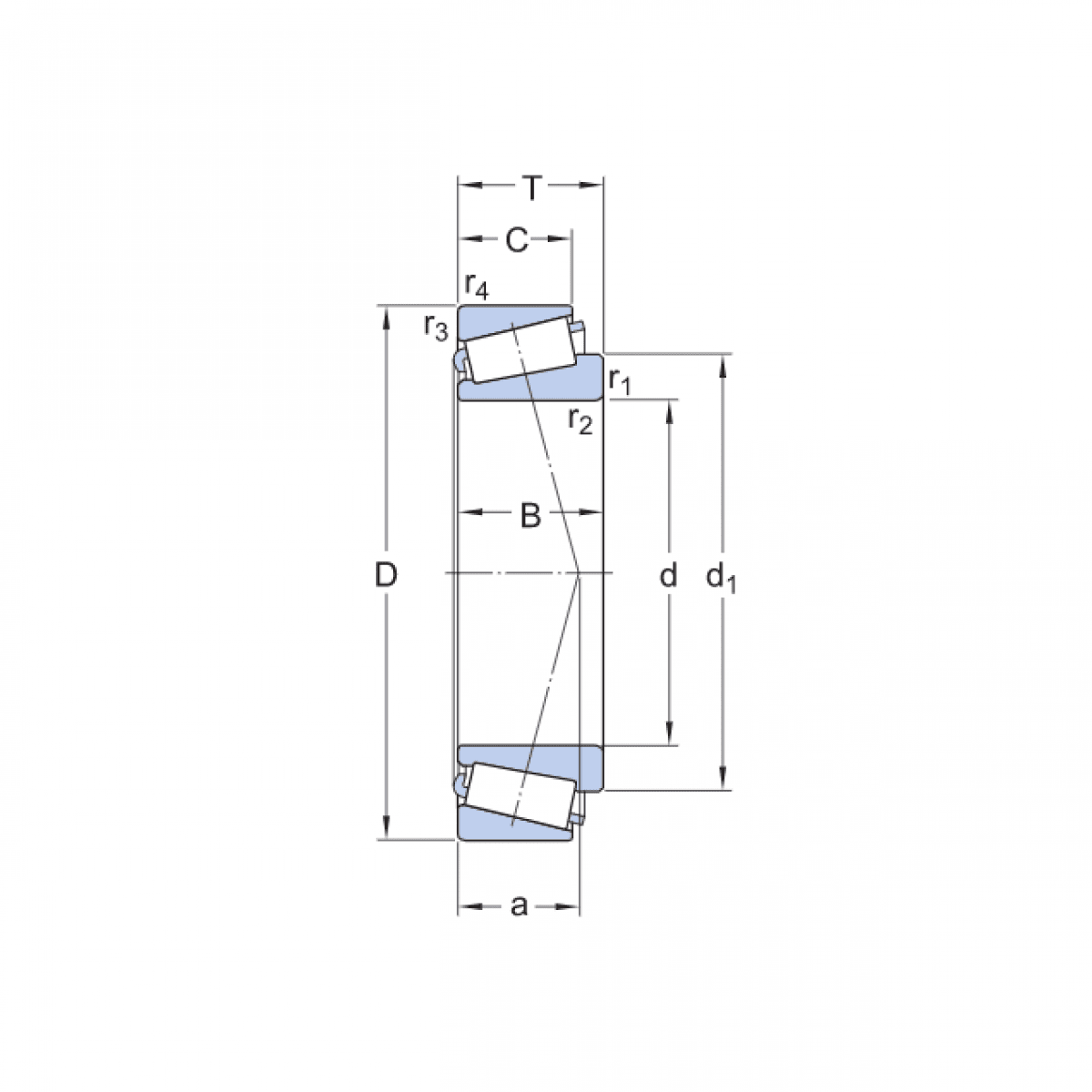
Ložisko 30220 A - FAG

Rozmer: 100x180x37,00 Značka: FAG
Externý sklad na dopyt
+
-
ks