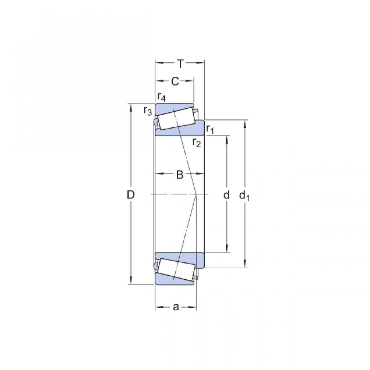
Ložisko 30220 J2 - SKF (30220/vA983)

Rozmer: 100x180x37,00 Značka: SKF
Skladom 4 ks na dopyt
+
-
ks