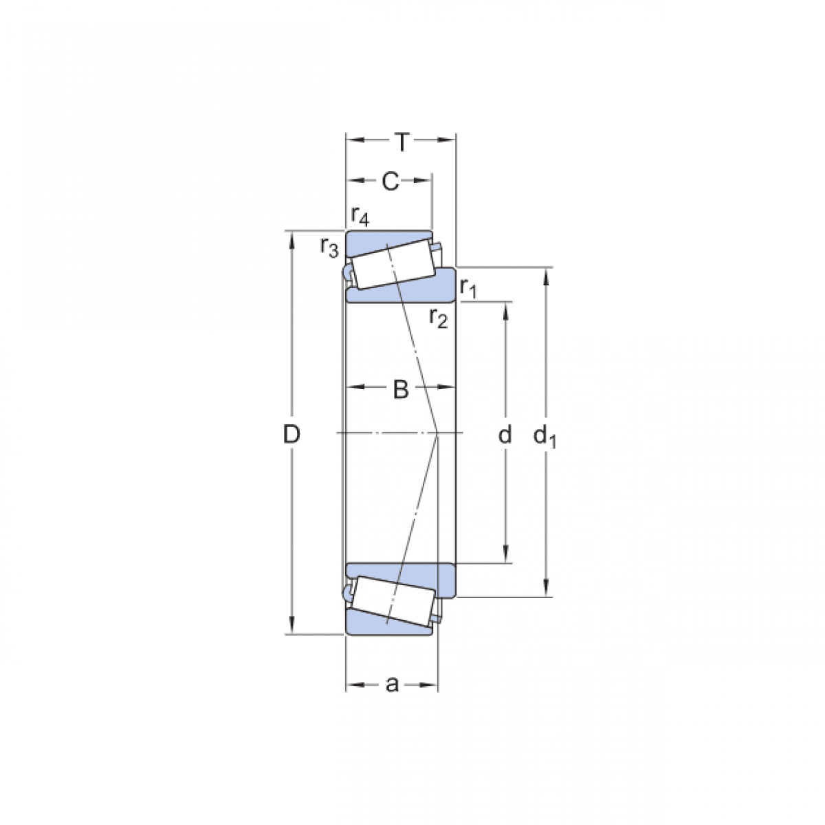
Ložisko 30220 - KBS

Rozmer: 100x180x37,00 Značka: KBS, KBC
Externý sklad na dopyt
+
-
ks